絕緣材料是重要的工業基礎材料,其電氣性能和壽命對電氣設備的性能、壽命和安全運行具有重要的影響。電壽命是電工絕緣材料和電氣設備絕緣結構的一個重要參數,當前變頻驅動等PW M技術的應用使高壓變頻電機等設備處于連續高壓脈沖環境,出現還遠未到其設計壽命而異常損壞的現象,絕緣過早失效是其主要原因。
以往主要針對直流和工頻正弦交流電應用場合研制的絕緣壽命評估方法和試驗設備已不能完全適應脈沖應用環境下的絕緣壽命評估一。脈沖電應力環境下絕緣材料和絕緣結構加速老化壽命實驗評估與測試需要高性能的對稱雙極性高壓方波脈沖電源,要求用于試驗評估的多套脈沖電源脈沖參數一致、準確、穩定,以便獲得準確可靠的壽命評估結果,以往的高壓功率脈沖電源為其它應用而設計,難以完全滿足絕緣材料尤其是絕緣結構加速老化壽命評估試驗的需要。本文介紹一種由多個lkV對稱雙極性方波脈沖級聯的8kV對稱方波高壓脈沖電源的實現方法,它具有脈沖波形好,可靈活選擇所需要的脈沖電壓幅值的特點。

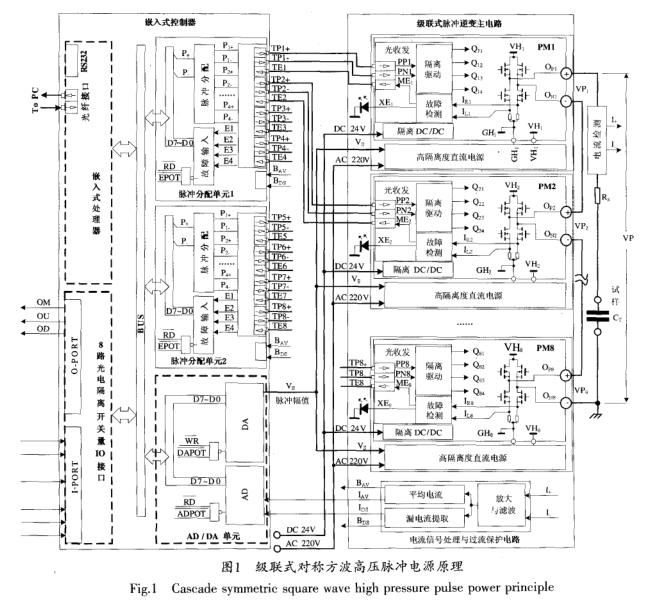
級聯式對稱方波高壓脈沖電源硬件通過H橋逆變電路可以將直流逆變為雙極性對稱方波脈沖。由于高速功率晶體管的耐壓限制,當前還難以利用常規的橋式逆變電路直接產生所需要的脈沖電壓。有三種方法獲得所需要的脈沖高電壓:

第一是利用功率晶體管串聯提高耐壓,但這些串聯的功率晶體管需要采取措施實現動態均壓,造成電路復雜,控制難度大,且影響輸出脈沖的空載上升/下降時間;
第二是利用脈沖變壓器升壓,該方法電路簡單,但脈沖變壓器使輸脈沖前后沿變差,且難以滿足脈頻率大范圍可調的要求;
第三是利用同步運行的,個對稱方波逆變橋模塊級聯獲得所需要的高壓脈沖,該方法具有波形好、靈活的特點,但要求每個級聯的逆變橋模塊都有一個高隔離度直流電源,且各逆變橋需要在同步信號控制下同步工作。由于逆變橋級聯方式可以通過改變級聯模塊數量靈活選擇最高脈沖幅值、波形對稱性等特點,本系統采用該方法。http://www.lvdaopeixun.com